当前工商业光储系统呈一体化、规模化、智能化发展趋势,政策与市场驱动下,光储深度融合成为标配。根据项目规模或各地要求,可采用光储分别独立并网或光储统一并网等方式。系统通过智能调控与防逆流技术,保障光伏余电合规上网、储能放电仅供自用。今天就带大家一起了解下常见的小型分布式光储系统的接入方案(涉及10kV、AC380V和AC220V系统)。
1 光储系统并网方式
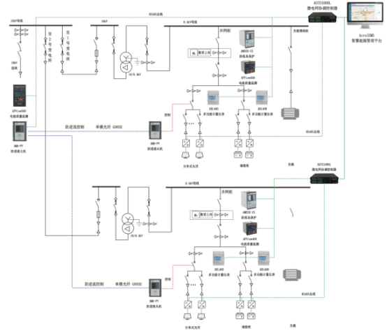
1.1 AC380V并网:光伏储能单独并网,余电不上网

拓扑结构:光伏和储能分别单独并网,设置光伏并网柜和储能并网柜,并网柜按照规范要求安装防孤岛保护和电能质量监测装置,光伏和储能并网柜数据均上传电网。
运行逻辑:光伏优先供负载,ACCU协调控制器控制储能充电;储能满电后,ACCU协调控制器主动降光伏功率,若降光伏功率还不能消除逆流,则由防逆流保护装置AM5SE-IS断开光伏并网柜,严格防逆流控制。
适用场景:电网严禁余电上网,企业负荷可消纳光伏发电
主要优势:合规、不担心被电网考核。
需要注意:需要设置两套并网柜及保护监测设备。
1.2 AC380V并网:光伏储能共用并网点,余电上网

拓扑结构:光伏和储能共用并网点,设置一个并网柜,并网柜按照规范要求安装防孤岛保护和电能质量监测装置,光伏发电和储能充放电数据均上传电网。(这种并网模式在部分地区可能不符合当地并网要求,具体需要根据报备方案)
运行逻辑:光伏优先供负载,余电充储能,储能满电后余电可上网,光伏自消纳比例不低于60%(具体按照各地电网部门要求);ACCU协调控制器在余电上网期间禁止储能放电,并调节光伏逆变器禁止光伏在谷电价时段余电上网,避免触及全年自消纳比例考核。
适用场景:当地电网友好,余电上网收益高。
核心优势:接线简单,节省成本。
需要注意:控制逻辑复杂,需区分光伏与储能功率流向,禁止储能放电上网。
1.3 AC380V并网:光伏储能多点分散并网,自发自用,余电不上网

拓扑结构:光伏和储能在园区内采用多点分散并网,就地设置并网柜,并网柜按照规范要求安装防孤岛保护AM5SE-IS和电能质量监测装置APView500PV,并网柜数据上传电网,自发自用,余电不上网。
运行逻辑:光伏优先供负载,余电充储能,储能满电后ACCU协调控制器主动降光伏功率,若降光伏功率还不能消除逆流,则由防逆流主机AM6-PVM给从机AM6-PVS发命令依次断开光伏并网断路器,严格防逆流控制。防逆流主机安装在进线柜,监测进线逆功率,通过光纤连接安装在并网柜的从机,从机接收主机命令执行分合闸操作控制逆功率。
适用场景:大面积园区,光伏并网点多且分散,距离远
核心优势:合规并网,就地消纳,避免逆功率考核。
需要注意:需铺设防逆流控制光纤网络。
1.4 AC10kV并网:光伏、储能10kV单独并网,自发自用,余电不上网

拓扑结构:光伏和储能分别升压至10kV并网,并网柜按照规范要求安装防孤岛保护AM5SE-IS和电能质量监测装置APView500PV,并网柜数据上传电网调度系统,接受电网调度,自发自用,余电不上网。
运行逻辑:光伏优先供负载,余电充储能,储能满电后ACCU协调控制器主动降光伏功率,若降光伏功率还不能消除逆流,则由防逆流保护AM5SE-IS断开光伏并网断路器,严格防逆流控制。
适用场景:负荷稳定园区,光伏安装容量大。
核心优势:合规并网,就地消纳,避免逆功率考核。
需要注意:光伏和储能数据均需上传调度系统,接受电网调度。
1.5 光储一体机:户用光储一体化系统,自发自用,余电不上网

拓扑结构:光伏和储能均接入光储一体机,光伏自发自用,余电不上网。
运行逻辑:光伏优先供负载,余电充储能,在进线处设置防逆流监测仪表ADL200M,防逆流监测仪表和光储一体机通过WIFI或LoRa通信,控制光储一体机功率输出防止向电网送电。
适用场景:户用或小型建筑。
核心优势:安装接线简单,投资小
1.6 光储柴一体柜:并/离网切换

拓扑结构:光储柴一体化柜中光储为直流耦合型,光伏通过 DC/DC 变换器接入直流母线,储能通过高压箱接入直流母线,统一通过PCS接入交流母线。市电和柴发通过ATS接入,进行电网和柴发两个主电源之间的切换。
运行逻辑:供电的优先顺序为:光伏发电(储能备电完成后)>电网>储能供电>柴发。并网模式下,电网正常供电,并网模式主要储能优先备电和防逆流下的新能源消纳。ATS检测到电网故障停电,自动切换到柴发转为离网模式,PCS转为V/F运行模式,PCS 作为主电源单独带负载,当EMS监测到储能电池电量过低时,下发指令启动柴发。
适用场景:弱电网区域。
核心优势:安装接线简单,集成度高。
2 关键二次保护控制设备
安科瑞为分布式光伏和储能系统并网提供防孤岛保护、电能质量监测、防逆流保护和调控以及电力调度对接功能,实现有功功率/无功功率控制、发电预测、频率电压紧急控制等等,实现分布式场站可观、可测、可调、可控“四可”要求,为光储一体化电站安全、合规运行提供系统保障。

3 智慧能源管理平台
AcrelEMS3.0智慧能源管理平台采用B/S架构,满足分布式光伏、储能系统以及电动汽车充换电设施等接入和协调控制需求。平台采用“1+N”设计,可以接入数量众多的分布式场站数据,将分布式光伏、储能系统、可控负荷等聚合在一起,结合发电预测、负荷预测、电价波动、电网调度指令等情况,灵活调整微电网控制策略并下发给储能、可调负荷等系统,采用“云-边-端”协同策略控制,保障微电网合规并网、可靠运行。

4 结束语
安科瑞光储一体化解决方案,以AcrelEMS智慧能源管理为大脑、安全合规为根基、降本降耗为目标,一站式解决微电网并网、成本、安全、协同、运维等核心痛点,助力企业打造安全、绿色、经济、智能的光储一体化微电网。
上一篇 : 没有了
下一篇 : ARB弧光保护在半导体厂房低压配电系统的应用